Разработано в Германии
Напрямую от Импортера
Доставка по России
Запчасти
Покупателю
Сервис
Доставка
Контакты
8 (812) 989-06-96
0
Главная страница
Каталог запчастей
Аэратор AL-KO | запчасти по России и СПБ | Сервис | Ремонт
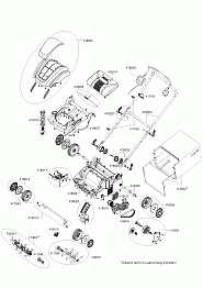
AL-KO аэратор Combi Care 36.8 E Comfort Артикул: 113573
Назад
AL-KO аэратор Combi Care 36.8 E Comfort Артикул: 113573
Увеличить
AL-KO электрический Combi Care 36.8 E Comfort Артикул: 113573
Подробнее
Запчасти
Покупателю
Сервис
Доставка
Контакты
8 (812) 989-06-96