Разработано в Германии
Напрямую от Импортера
Доставка по России
Запчасти
Покупателю
Сервис
Доставка
Контакты
8 (812) 989-06-96
0
Главная страница
Каталог запчастей
Аэратор AL-KO | запчасти по России и СПБ | Сервис | Ремонт
AL-KO аэратор Combi Care 38 Е Comfort Артикул: 112800
AL-KO аэратор Combi Care 38 Е Comfort Артикул: 112800 с 11/2019
Назад
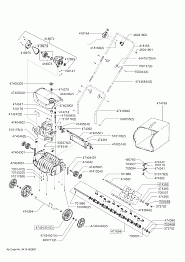
AL-KO аэратор Combi Care 38 Е Comfort Артикул: 112800 с 11/2019
Увеличить
1 НОЖ, РЕМЕНЬ, КОЛЕСА, ТРОС AL-KO аэратор Combi Care 38 Е Comfort Артикул: 112800 с 11/2019
Подробнее
Запчасти
Покупателю
Сервис
Доставка
Контакты
8 (812) 989-06-96