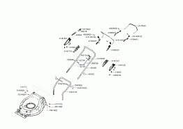
1 НОЖ, АДАПТЕР, РЕМЕНЬ, КОЛЕСА, ТРОС AL-KO газонокосилка Highline 473 SPE Артикул: 119466 с 02/2013 до 05/2013 года
2 РУЧКА, ТРОС AL-KO газонокосилка Highline 473 SPE Артикул: 119466 с 02/2013 до 05/2013 года
AL-KO Highline 473 SPE Артикул: 119466 с 02/2013 до 05/2013 года Сервисные двигатели BRIGGS & STRATTON