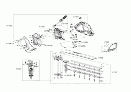
1 ЭЛЕКТРОДВИГАТЕЛЬ, НОЖИ, ЩЕТКИ AL-KO кусторез HT 440 Basic Cut Артикул: 112679 с 08/2010 года Запчасти