Разработано в Германии Напрямую от Импортера Доставка по России

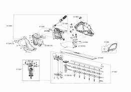
AL-KO HT 550 Safety Cut Артикул: 112680 с 08/2010 года