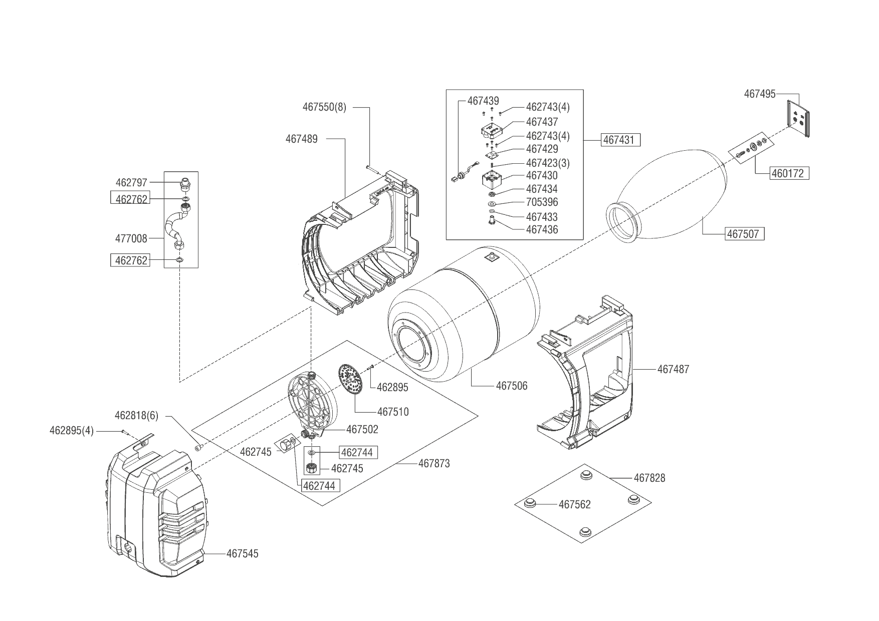
1 АЛКО AL-KO насосная станция HW 5000 FMS Premium Артикул: 112851 с 01/2014 года
2 АЛКО AL-KO насосная станция HW 5000 FMS Premium Артикул: 112851 с 01/2014 года