1 РАМА КОЖУХА AL-KO газонный трактор T 15-93.9 HD-A Black Edition Артикул: 119932
2 РАМА СЦЕПЛЕНИЕ AL-KO трактор T 15-93.9 HD-A Black Edition Артикул: 119932
3 КОЛЕСА РЕМЕНЬ ШКИВ AL-KO трактор T 15-93.9 HD-A Black Edition Артикул: 119932
4 КОРОБКА ПЕРЕДАЧ AL-KO трактор T 15-93.9 HD-A Black Edition Артикул: 119932
5 ПОДКЛЮЧЕНИЕ ПРИВОДА AL-KO трактор T 15-93.9 HD-A Black Edition Артикул: 119932
6 ДЕКА РЕМЕНЬ НОЖ АДАПТЕР ШКИВ AL-KO трактор T 15-93.9 HD-A Black Edition Артикул: 119932
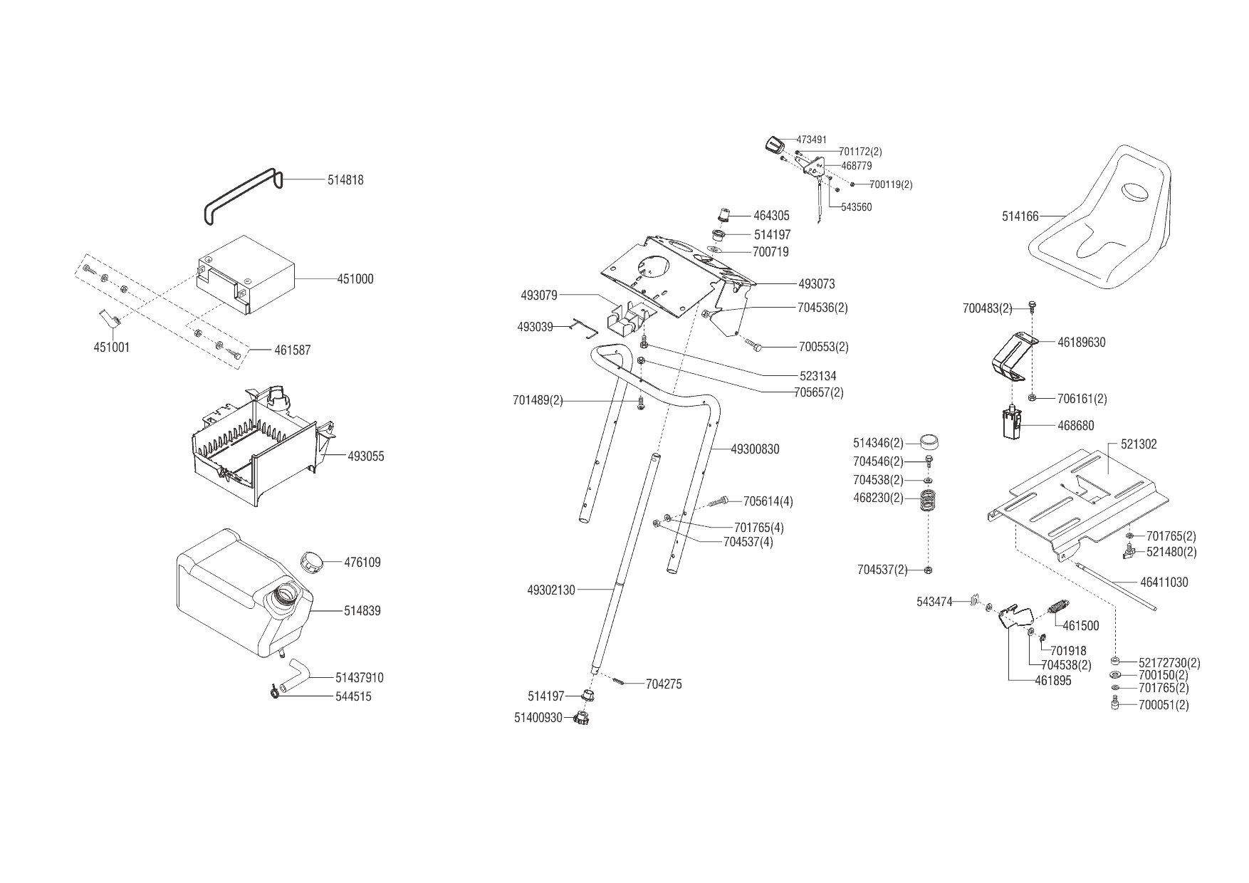
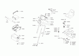
7 АККУМУЛЯТОР AL-KO трактор T 15-93.9 HD-A Black Edition Артикул: 119932
8 ТРАВОСБОРНИК AL-KO трактор T 15-93.9 HD-A Black Edition Артикул: 119932
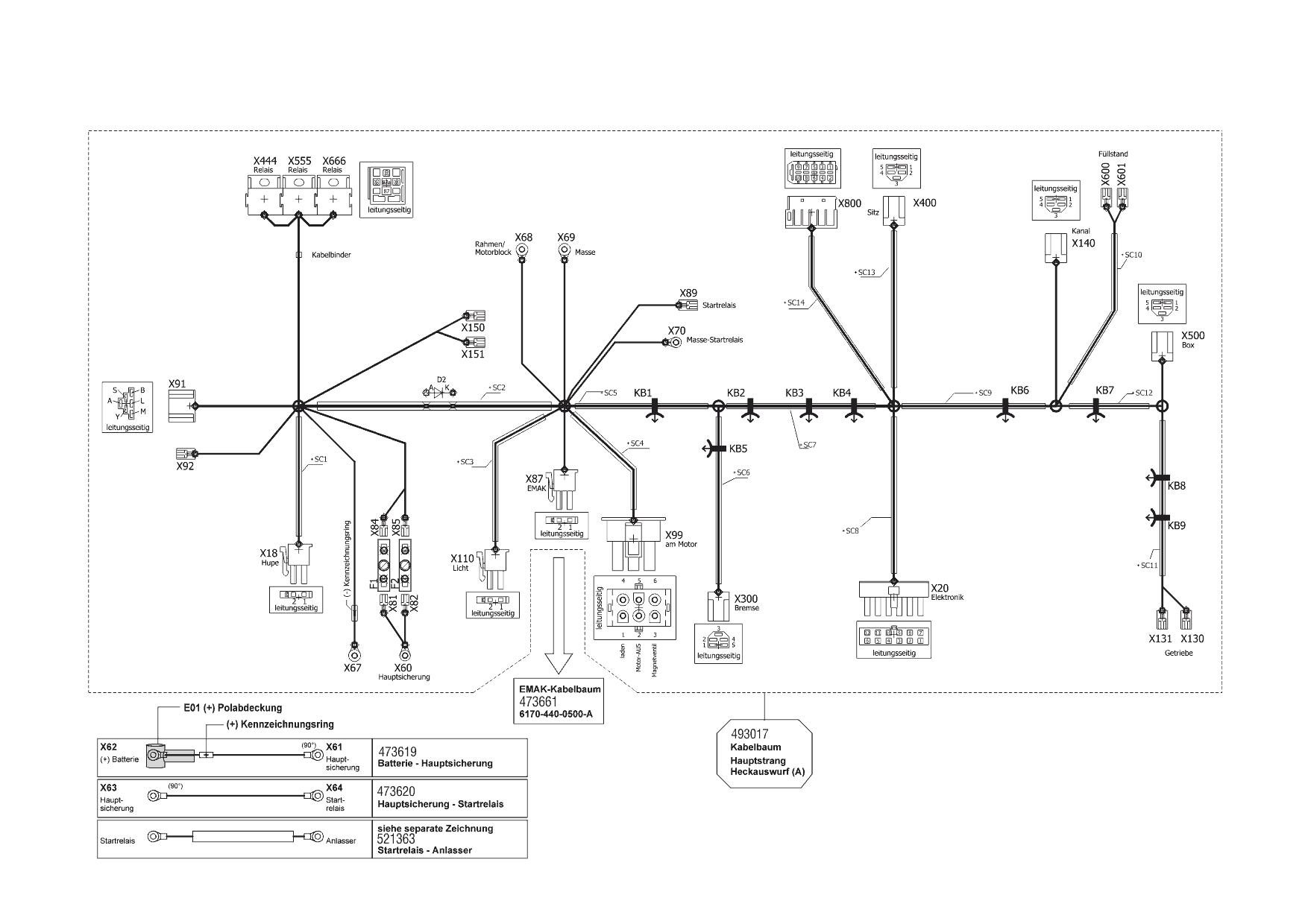
9 ПРОВОДКА AL-KO трактор T 15-93.9 HD-A Black Edition Артикул: 119932
10 ПРОВОДКА ПОДКЛЮЧЕНИЯ AL-KO трактор T 15-93.9 HD-A Black Edition Артикул: 119932
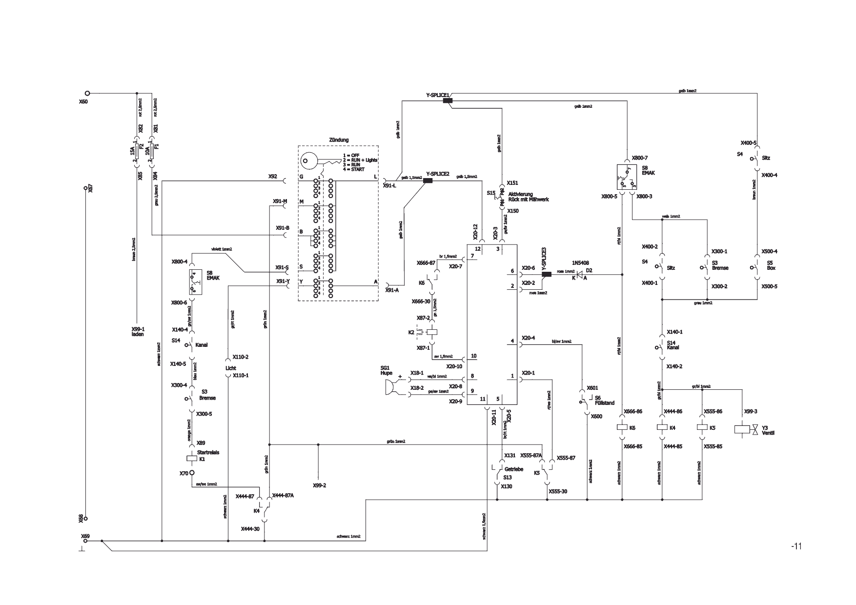
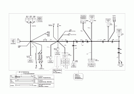
11 ЭЛЕКТРОСХЕМА AL-KO трактор T 15-93.9 HD-A Black Edition Артикул: 119932