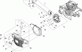
1 ПОРШЕНЬ, ЦИЛИНДР, МАГНЕТО, МАСЛОНАСОС solo by AL-KO бензопила 651C Артикул: 126574
2 КАРБЮРАТОР, ФИЛЬТР, ГЛУШИТЕЛЬ solo by AL-KO бензопила 651C Артикул: 126574
3 НАТЯЖИТЕЛЬ, ЗВЕЗДОЧКА solo by AL-KO бензопила 651C Артикул: 126574
4 КРЫШКА, АМОРТИЗАТОР solo by AL-KO бензопила 651C Артикул: 126574
5 СТАРТЕР, БАРАБАН, ПРУЖИНА solo by AL-KO бензопила 651C Артикул: 126574
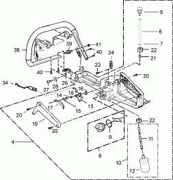
6 РУЧКА solo by AL-KO бензопила 651C Артикул: 126574
7 ЦЕПЬ, КРЫШКА, НАТЯЖИТЕЛЬ solo by AL-KO бензопила 651C Артикул: 126574