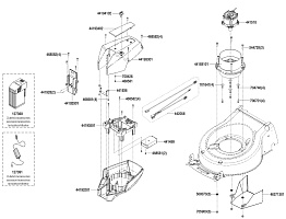
1 | Solo by AL-KO газонокосилка аккумуляторная sbA 4237 Li SP Артикул: 127388 с 10/2016 до 03/2018 года | АЛКО ЗАПЧАСТИ | ПО РОССИИ | СПБ
2 | Solo by AL-KO газонокосилка аккумуляторная sbA 4237 Li SP Артикул: 127388 с 10/2016 до 03/2018 года | АЛКО ЗАПЧАСТИ | ПО РОССИИ | СПБ