1 РАМА КОЖУХА solo by AL-KO трактор T 22-111.7 HDS-A V2 Артикул: 127445 с 04/2018 года
2 РАМА СЦЕПЛЕНИЕ solo by AL-KO трактор T 22-111.7 HDS-A V2 Артикул: 127445 с 04/2018 года
3 КОЛЕСА РЕМЕНЬ ШКИВ solo by AL-KO трактор T 22-111.7 HDS-A V2 Артикул: 127445 с 04/2018 года
4 КОРОБКА ПЕРЕДАЧ solo by AL-KO трактор T 22-111.7 HDS-A V2 Артикул: 127445 с 04/2018 года
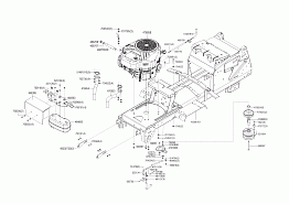
5 ПОДКЛЮЧЕНИЕ ПРИВОДА solo by AL-KO трактор T 22-111.7 HDS-A V2 Артикул: 127445 с 04/2018 года
6 ДЕКА РЕМЕНЬ НОЖ АДАПТЕР ШКИВ solo by AL-KO трактор T 22-111.7 HDS-A V2 Артикул: 127445 с 04/2018 года
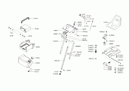
7 АККУМУЛЯТОР solo by AL-KO трактор T 22-111.7 HDS-A V2 Артикул: 127445 с 04/2018 года
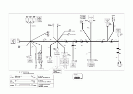
8 ПРОВОДКА solo by AL-KO трактор T 22-111.7 HDS-A V2 Артикул: 127445 с 04/2018 года
9 ПРОВОДКА ПОДКЛЮЧЕНИЯ solo by AL-KO трактор T 22-111.7 HDS-A V2 Артикул: 127445 с 04/2018 года
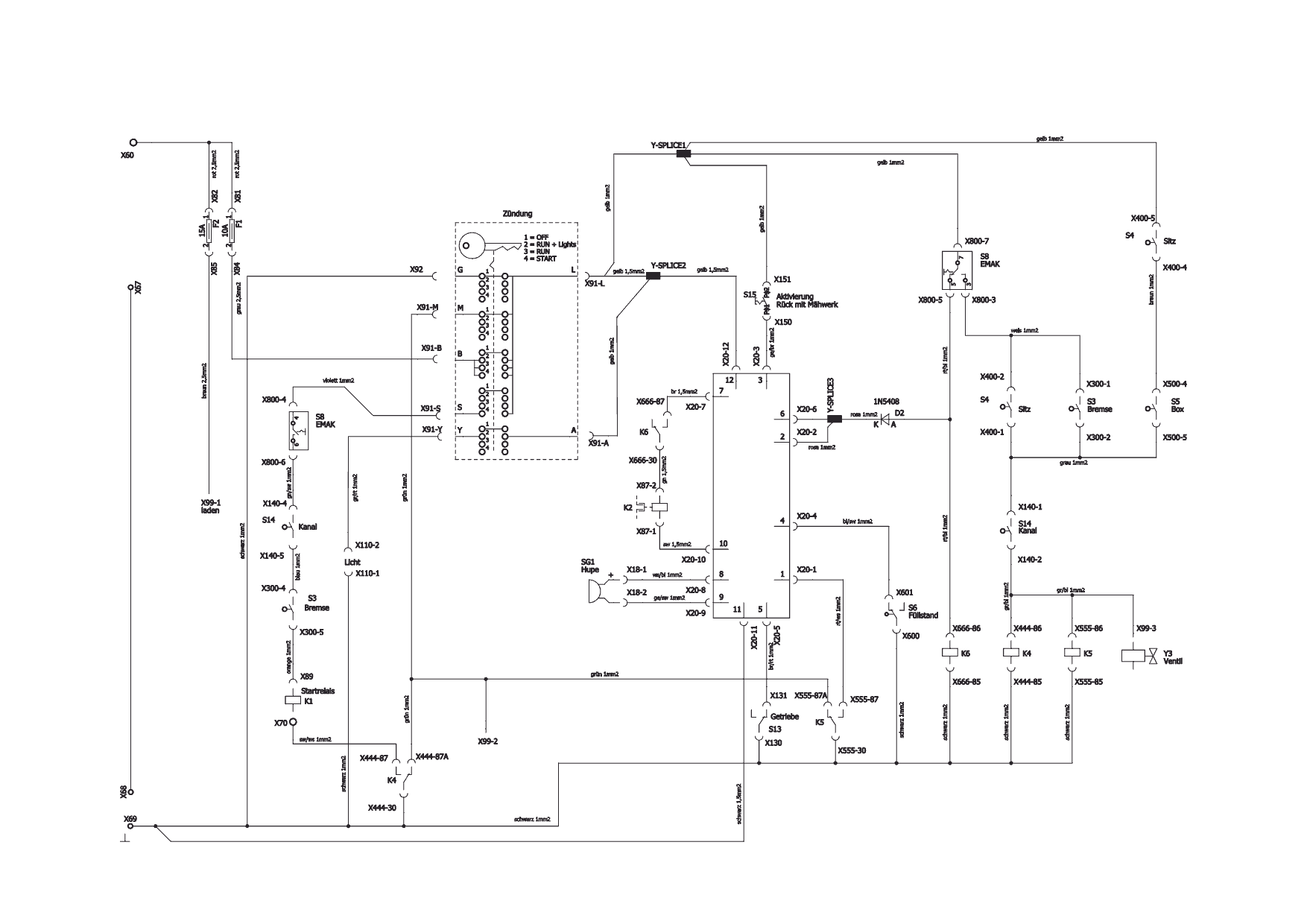
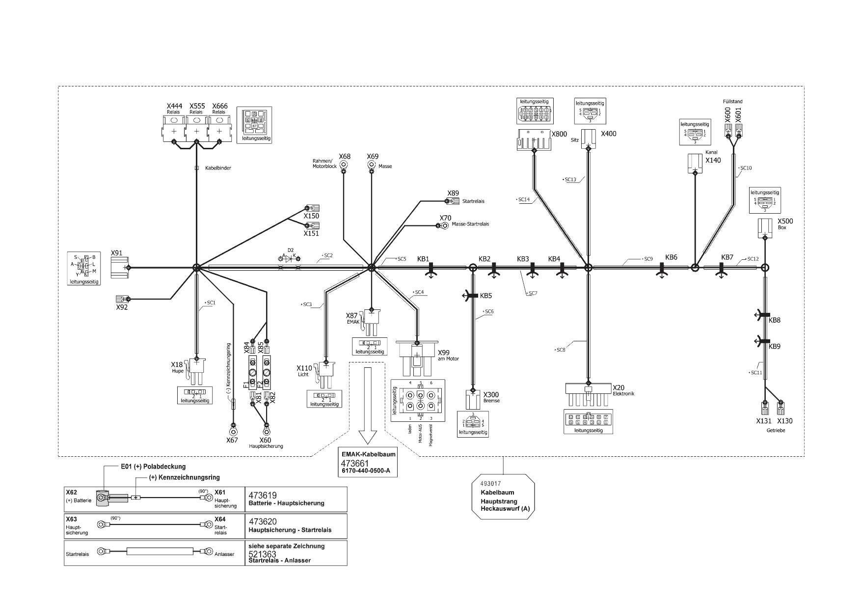
10 ЭЛЕКТРОСХЕМА solo by AL-KO трактор T 22-111.7 HDS-A V2 Артикул: 127445 с 04/2018 года