Разработано в Германии Напрямую от Импортера Доставка по России

1 НОЖ, РЕМЕНЬ, КОЛЕСА, ТРОС AL-KO аэратор аккумуляторный SF 4036 Артикул: 113574

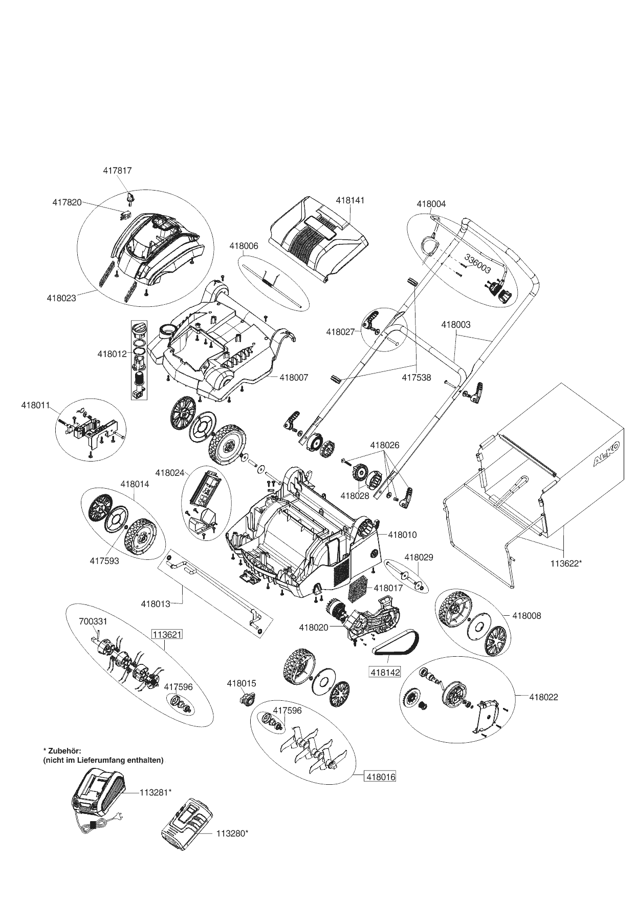
Ссылка № АртикулИспользуется штук Наименование Цена
113280 113280

Литий-ионный аккумулятор 144 WH
Используется в агрегатах

46310 i
113621 113621

Комплект для вычесывания газона
Используется в агрегатах

6061 i
113622 113622

Травосборник
Используется в агрегатах

11729 i
336003 336003

Винт
Используется в агрегатах

1153 i
417538 417538

Держатель кабеля
Используется в агрегатах

1292 i
417593 417593

Кольцо
Используется в агрегатах

1182 i
417596 417596

Комплект подшипника
Используется в агрегатах

2361 i
417817 417817

Ключ зажигания
Используется в агрегатах

1737 i
417820 417820

Микровыключатель
Используется в агрегатах

6799 i
418003 418003

Рукоятка
Используется в агрегатах

22144 i
418004 418004

Скоба (комплект)
Используется в агрегатах

12486 i
418006 418006

Ось задней крышки
Используется в агрегатах

1869 i
418007 418007

Корпус (верхняя часть)
Используется в агрегатах

7937 i
418008 418008

Колесо заднее (комплект)
Используется в агрегатах

5908 i
418010 418010

Основная часть корпуса
Используется в агрегатах

17302 i
418011 418011

Кронштейн вала
Используется в агрегатах

3966 i
418012 418012

Регулятор высоты
Используется в агрегатах

3010 i
418013 418013

Передняя колесная ось
Используется в агрегатах

5506 i
418014 418014

Переднее колесо (комплект)
Используется в агрегатах

4521 i
418015 418015

Корпус подшипника
Используется в агрегатах

1555 i
418016 418016

Комплект ножей
Используется в агрегатах

18618 i
418017 418017

Антивибрационный элемент
Используется в агрегатах

1380 i
418020 418020

Привод в сборе
Используется в агрегатах

33409 i
418022 418022

Приводной ролик (комплект)
Используется в агрегатах

10593 i
418023 418023

Верхняя крышка корпуса (комплект)
Используется в агрегатах

21965 i
418024 418024

Печатная плата
Используется в агрегатах

39023 i
418026 418026

Рычажок +болт крепления ручки (низ)
Используется в агрегатах

2158 i
418027 418027

Рычажок +болт крепления ручки (верх)
Используется в агрегатах

4080 i
418028 418028

Механизм крепления ручки
Используется в агрегатах

2718 i
418029 418029

Ось заднего колеса
Используется в агрегатах

3031 i
418141 418141

Крышка зядняя
Используется в агрегатах

4903 i
418142 418142

Ремень привода
Используется в агрегатах

4991 i
700331 700331

Штифт
Используется в агрегатах

1153 i