Разработано в Германии Напрямую от Импортера Доставка по России

2 РЕДУКТОР, РУЛЬ, ШТАНГА AL-KO бензиновая мотокоса BC 330 B Артикул: 113758

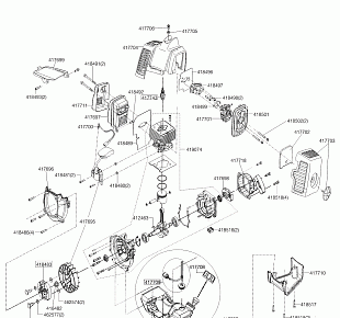
Ссылка № АртикулИспользуется штук Наименование Цена
112405 112405

Нож
Используется в агрегатах

2817 i
113806 113806

Триммерная головка в сборе
Используется в агрегатах

3922 i
411705 411705

Ранцевый подвес
Используется в агрегатах

7986 i
412185 412185

Винт
Используется в агрегатах

1153 i
412188 412188

Гайка
Используется в агрегатах

1245 i
412203 412203

Винт
Используется в агрегатах

1153 i
413520 413520

Винт M4*10
Используется в агрегатах

1182 i
417712 417712

Ручка газа в сборе
Используется в агрегатах

6193 i
417713 417713

Тросик газа
Используется в агрегатах

2226 i
417714 417714

Гофра проводов
Используется в агрегатах

1377 i
417715 417715

Провод вкл/выкл
Используется в агрегатах

2158 i
417716 417716

Пружина
Используется в агрегатах

2001 i
417717 417717

Кнопка триммерной головки
Используется в агрегатах

2667 i
462503 462503

Редуктор в сборе >>> E4
Используется в агрегатах

15915 i
462513 462513

Юбка редуктора мотокосы
Используется в агрегатах

1708 i
462516 412307

Опорная шайба редуктора
Используется в агрегатах

3192 i
462517 462517

Фланец ножа мотокосы
Используется в агрегатах

2026 i
462519 462519

Вал штанги мотокосы
Используется в агрегатах

8724 i
462521 462521

Чашка сцепления с корпусом в сборе
Используется в агрегатах

16974 i
462522 462522

Чашка сцепления
Используется в агрегатах

5010 i
462523 462523

Корпус сцепления штанги
Используется в агрегатах

6489 i
462524 462524

Резиновая втулка штанги
Используется в агрегатах

2126 i
462525 462525

Нижняя часть крепления штанги
Используется в агрегатах

2696 i
462526 462526

Верхняя часть крепления штанги
Используется в агрегатах

2465 i
462527 348063

Держатель кабель
Используется в агрегатах

1491 i
462529 462529

Рукоятка
Используется в агрегатах

4839 i
462531 462531

Резиновая накладка
Используется в агрегатах

1737 i
462532 462532

Комплект опорных шайб
Используется в агрегатах

4599 i
462537 462537

Защитный кожух >>> P1
Используется в агрегатах

5078 i
462538 462538

Нижняя часть кожуха + нож для обрезки
Используется в агрегатах

3331 i
462544 462544

Крепеж рукоятки
Используется в агрегатах

4411 i
462548 462548

Шайба
Используется в агрегатах

1160 i
462550 462550

Шплинт 2*16
Используется в агрегатах

1131 i
462551 462551

Винт M5*25
Используется в агрегатах

1141 i
463249 463249

Штанга с валом в сборе
Используется в агрегатах

14435 i
700252 462855

Подшипник
Используется в агрегатах

6928 i
700840 700840

Стопорное кольцо 35*1,5 472
Используется в агрегатах

1408 i
700841 700841

Стопорное кольцо 15*1 471
Используется в агрегатах

947 i