Разработано в Германии Напрямую от Импортера Доставка по России

1 | AL-KO газонокосилка-робот Robolinho® 100 Артикул: 119781 | АЛКО ЗАПЧАСТИ | ПО РОССИИ | СПБ

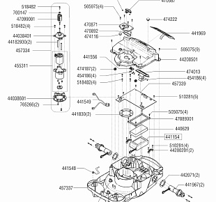
Ссылка № АртикулИспользуется штук Наименование Цена
127400 127400

Ножи
Используется в агрегатах

Недоступен к заказу

127401 127401

Комплект
Используется в агрегатах

Недоступен к заказу

44061230 44061230

DISTANZH?LSE RAD ROBO 3000 VERZ
Используется в агрегатах

1737 i
44061330 44061330

DISTANZH?LSE RAD ROBO 3000 VERZ
Используется в агрегатах

1716 i
442057 442057

R?UMMESSER GENIETET ROBOM?HER
Используется в агрегатах

3587 i
457286 457286

HAUBE ROBOLINHO KPL 110
Используется в агрегатах

67526 i
47071840 47071840

RAD 220 MM ROBOLINHO R9006
Используется в агрегатах

4835 i
47073401 47073401

ROLLE 80X64 ROBOLINHO R9005
Используется в агрегатах

2136 i
470895 470895

ABDECKUNG ANTRIEBSRAD R9005
Используется в агрегатах

1402 i
474115 474115

GEWINDEEINSATZ F?R M4 309000040800
Используется в агрегатах

1355 i
474116 474116

LOCHSTOPFEN F?R D16 055016800003
Используется в агрегатах

1182 i
47453130 47453130

B?GEL ST?TZROLLE ROBOLINHO VERZ
Используется в агрегатах

1470 i
474996 474996

LAGER TYP 626 2RSH NIROSTA
Используется в агрегатах

1869 i
510281 518485

Винт
Используется в агрегатах

25 i
700137 700137

Шайба
Используется в агрегатах

1153 i
700432 700432

Гайка с нейлон. вкл. DOMED 6 DIN986
Используется в агрегатах

1173 i
700493 700493

SHR 6X 50 DIN933- 8.8 VZ
Используется в агрегатах

1131 i
700934 700934

SHR 6X 55 DIN933- 8.8 VZ
Используется в агрегатах

1153 i
701493 701493

Шайба PA 8X14X0,5 988
Используется в агрегатах

1131 i
704536 704536

Гайка
Используется в агрегатах

1124 i
705937 705937

SHR 8X 18 DIN912- 8.8 A3B
Используется в агрегатах

1153 i
705960 705960

MU 6KT 3 DIN985- 8 A3B
Используется в агрегатах

1153 i
746000 746000

SHR 4X10 DIN933-8.8 A3B
Используется в агрегатах

1153 i
746001 746001

SHR M3X8 DIN7991-8.8 A3B
Используется в агрегатах

1131 i