Разработано в Германии
Напрямую от Импортера
Доставка по России
Запчасти
Покупателю
Сервис
Доставка
Контакты
8 (812) 989-06-96
0
Главная страница
Каталог запчастей
Садовые трактора AL-KO | запчасти по России и СПБ | Сервис | Ремонт
AL-KO трактор T 13-93.8 HD-A Black Edition Артикул: 119865
AL-KO T 13-93.8 HD-A Артикул: 119865 с 11/2017 по 04/2018 года
Оригинальные запчасти AL-KO купить | 11 ЭЛЕКТРОСХЕМА AL-KO трактор T 13-93.8 HD-A Black Edition Артикул: 119865 с 11/2017 по 04/2018 года | доставка по России из Санкт-Петербурга | от официального дилера AL-KO
Назад
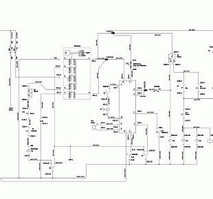
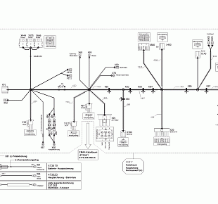
11 ЭЛЕКТРОСХЕМА AL-KO трактор T 13-93.8 HD-A Black Edition Артикул: 119865 с 11/2017 по 04/2018 года
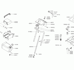
1 РАМА КОЖУХА AL-KO трактор T 13-93.8 HD-A Black Edition Артикул: 119865 с 11/2017 по 04/2018 года
Увеличить
2 РАМА СЦЕПЛЕНИЕ AL-KO трактор T 13-93.8 HD-A Black Edition Артикул: 119865 с 11/2017 по 04/2018 года
Увеличить
3 КОЛЕСА РЕМЕНЬ ШКИВ AL-KO трактор T 13-93.8 HD-A Black Edition Артикул: 119865 с 11/2017 по 04/2018 года
Увеличить
4 КОРОБКА ПЕРЕДАЧ AL-KO трактор T 13-93.8 HD-A Black Edition Артикул: 119865 с 11/2017 по 04/2018 года
Увеличить
5 ПОДКЛЮЧЕНИЕ ПРИВОДА AL-KO трактор T 13-93.8 HD-A Black Edition Артикул: 119865 с 11/2017 по 04/2018 года
Увеличить
6 ДЕКА РЕМЕНЬ НОЖ АДАПТЕР ШКИВ AL-KO трактор T 13-93.8 HD-A Black Edition Артикул: 119865 с 11/2017 по 04/2018 года
Увеличить
7 АККУМУЛЯТОР AL-KO трактор T 13-93.8 HD-A Black Edition Артикул: 119865 с 11/2017 по 04/2018 года
Увеличить
8 ТРАВОСБОРНИК AL-KO трактор T 13-93.8 HD-A Black Edition Артикул: 119865 с 11/2017 по 04/2018 года
Увеличить
9 ПРОВОДКА AL-KO трактор T 13-93.8 HD-A Black Edition Артикул: 119865 с 11/2017 по 04/2018 года
Увеличить
10 ПРОВОДКА ПОДКЛЮЧЕНИЯ AL-KO трактор T 13-93.8 HD-A Black Edition Артикул: 119865 с 11/2017 по 04/2018 года
Увеличить
11 ЭЛЕКТРОСХЕМА AL-KO трактор T 13-93.8 HD-A Black Edition Артикул: 119865 с 11/2017 по 04/2018 года
Увеличить
Показать все схемы
Сервис
Официальный сервис
Доставка
Доставка по России
Запчасти
Оригинальные запчасти
Скидки
Для сервисных центров
11 ЭЛЕКТРОСХЕМА AL-KO трактор T 13-93.8 HD-A Black Edition Артикул: 119865 с 11/2017 по 04/2018 года
1 РАМА КОЖУХА AL-KO трактор T 13-93.8 HD-A Black Edition Артикул: 119865 с 11/2017 по 04/2018 года
2 РАМА СЦЕПЛЕНИЕ AL-KO трактор T 13-93.8 HD-A Black Edition Артикул: 119865 с 11/2017 по 04/2018 года
3 КОЛЕСА РЕМЕНЬ ШКИВ AL-KO трактор T 13-93.8 HD-A Black Edition Артикул: 119865 с 11/2017 по 04/2018 года
4 КОРОБКА ПЕРЕДАЧ AL-KO трактор T 13-93.8 HD-A Black Edition Артикул: 119865 с 11/2017 по 04/2018 года
5 ПОДКЛЮЧЕНИЕ ПРИВОДА AL-KO трактор T 13-93.8 HD-A Black Edition Артикул: 119865 с 11/2017 по 04/2018 года
6 ДЕКА РЕМЕНЬ НОЖ АДАПТЕР ШКИВ AL-KO трактор T 13-93.8 HD-A Black Edition Артикул: 119865 с 11/2017 по 04/2018 года
7 АККУМУЛЯТОР AL-KO трактор T 13-93.8 HD-A Black Edition Артикул: 119865 с 11/2017 по 04/2018 года
8 ТРАВОСБОРНИК AL-KO трактор T 13-93.8 HD-A Black Edition Артикул: 119865 с 11/2017 по 04/2018 года
9 ПРОВОДКА AL-KO трактор T 13-93.8 HD-A Black Edition Артикул: 119865 с 11/2017 по 04/2018 года
10 ПРОВОДКА ПОДКЛЮЧЕНИЯ AL-KO трактор T 13-93.8 HD-A Black Edition Артикул: 119865 с 11/2017 по 04/2018 года
11 ЭЛЕКТРОСХЕМА AL-KO трактор T 13-93.8 HD-A Black Edition Артикул: 119865 с 11/2017 по 04/2018 года
№
Запчасти
Покупателю
Сервис
Доставка
Контакты
8 (812) 989-06-96