Разработано в Германии Напрямую от Импортера Доставка по России

1 ПОРШЕНЬ, ЦИЛИНДР solo by AL-KO бензопила 643 Артикул: 126568 с 02/2009 до 02/2011 года

Ссылка № АртикулИспользуется штук Наименование Цена
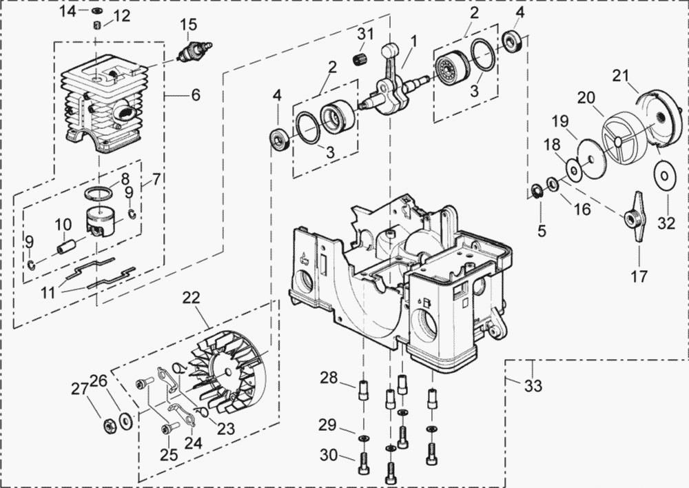
1 SL2200200

KURBELWELLE 643
Используется в агрегатах

107514 i
2 SL210036425

HUELSE 12X38,17X17 LAG.+0050187
Используется в агрегатах

8461 i
3 SL0062280

O.RING 30X3FPM/VITON 80SH.
Используется в агрегатах

2468 i
4 SL0054237

WD.RING12X25X5 TTO SB 2
Используется в агрегатах

5078 i
5 SL0055134

Кольцо
Используется в агрегатах

1138 i
6 SL2200177

Поршневая в сборе
Используется в агрегатах

44403 i
7 SL2200317

KOLBEN 40,00+BO.+SI.F.ET 444,642,643
Используется в агрегатах

9042 i
8 SL2048145

KOLBENRING 40X1,5X1,6 C1E DIN 34109
Используется в агрегатах

2628 i
9 SL0055278

Стопорное кольцо поршневого пальца
Используется в агрегатах

1206 i
10 SL203111725

KOLBENBOLZEN 9/5X28
Используется в агрегатах

1895 i
11 SL2063370

DICHTUNGSTEIL ZYL.KURBELGEH.
Используется в агрегатах

1587 i
12 SL0015282

STIFTSHR.M5X11/18
Используется в агрегатах

2560 i
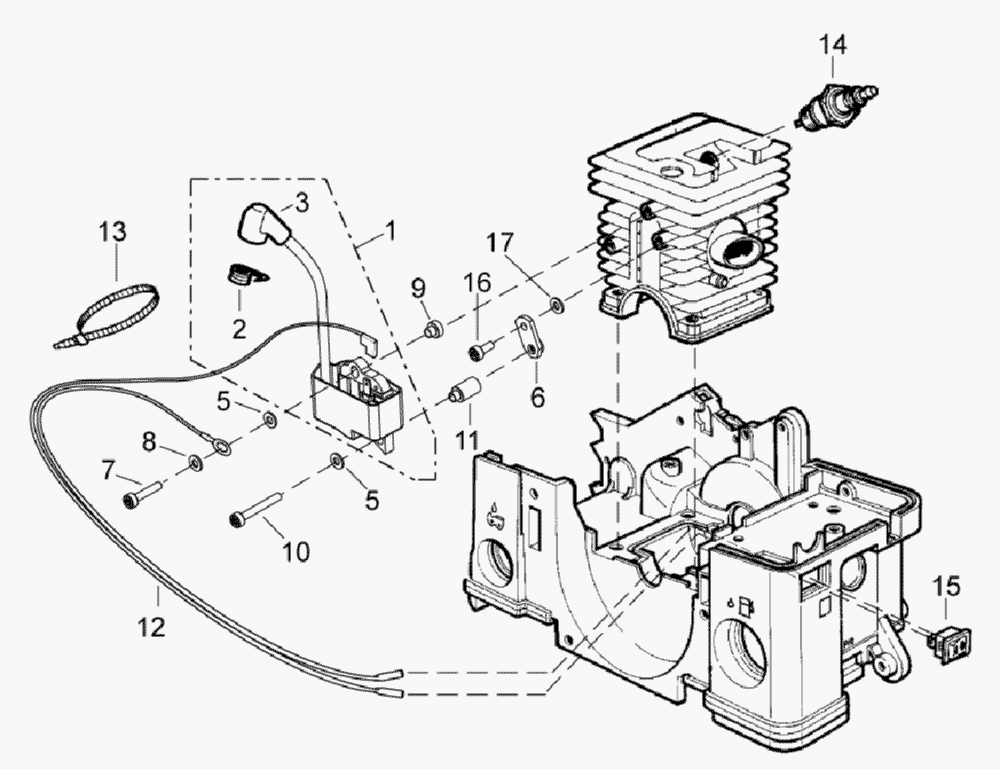
14 SL0055290

ZACKENRING5ZA SEEGER
Используется в агрегатах

1470 i
15 577484001

Свеча зажигания короткая юбка - под клюя 19 мм (Made in Czech Republic)
Используется в агрегатах

350 i
16 SL0031194

SCHEIBE12X18X0,5 988PA
Используется в агрегатах

1740 i
17 SL6074650

MITNEHMERSCHNECKE 2,5 RL.
Используется в агрегатах

2888 i
18 SL0031624

SCHEIBE10X24X2
Используется в агрегатах

1445 i
19 SL6042631

SCHEIBE10X42X1 KU.
Используется в агрегатах

2760 i
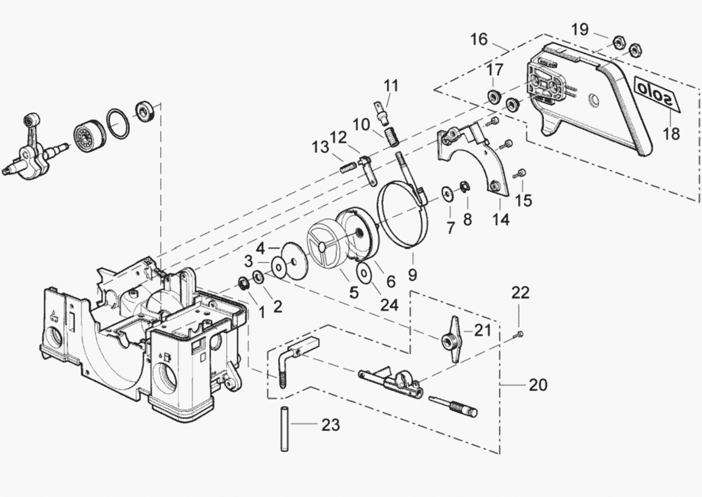
20 SL3500460

KUPPLUNG VS. M10X1,0 L.NR.C4G0100000
Используется в агрегатах

8090 i
21 SL3500414

KU.GLOCKE325 ZOLL 7Z12/64,5D+NDL 643
Используется в агрегатах

16447 i
22 SL2400319

LUEFTERR. VS. N/S POL EASY STAR
Используется в агрегатах

55650 i
23 SL0073441

пружина вращающа¤сь 0,4x11 636,643ip
Используется в агрегатах

1737 i
24 SL2042892

защелка стартера 636, 643ip
Используется в агрегатах

2136 i
25 SL0018454

Винт М5*13,7
Используется в агрегатах

1445 i
26 SL0072141

SCHEIBE9,2X18X0,7 2093 TE. BLANK
Используется в агрегатах

1131 i
27 SL0020145

Гайка М8
Используется в агрегатах

1173 i
28 SL0033358

ROHR8/7,6X1,2X27,5DIST.
Используется в агрегатах

1355 i
29 SL0072140

Шайба 2*12*0,5
Используется в агрегатах

1131 i
30 SL0018340

Винт М5*40
Используется в агрегатах

1292 i
31 SL0052226

Игольчатый подшипник
Используется в агрегатах

2964 i
32 SL0031425

SCHEIBE8X14X0,5 988PA
Используется в агрегатах

1694 i
33 SL210094252

ƒвигател¤ блок
Используется в агрегатах

295361 i
SL0540251 SL0540251

TREIBGL.325 ZOLL 1,5SI.HEIT. 641/644
Используется в агрегатах

2136 i