Разработано в Германии Напрямую от Импортера Доставка по России

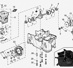
4 МАСЛОНАСОС, СЦЕПЛЕНИЕ, ЗВЕЗДОЧКА solo by AL-KO бензопила 636 Артикул: 126566 с 02/2011 года

Ссылка № АртикулИспользуется штук Наименование Цена
1 SL0055134

Кольцо
Используется в агрегатах

1138 i
2 SL0031194

SCHEIBE12X18X0,5 988PA
Используется в агрегатах

1740 i
3 SL6042630

SCHEIBE10X48X1,0KU. ,630,635,636
Используется в агрегатах

1238 i
4 SL3500429

KUPPLUNG M10X1L.FLIEHKRAFT.
Используется в агрегатах

10101 i
5 SL0071226

FEDER 1,7X6,2X17,5 DRK.KU. 635,636
Используется в агрегатах

1937 i
6 SL350043325

KU.GLOCKE3/8"6Z12/64,5D+NDL 635,636,
Используется в агрегатах

7451 i
7 SL0031333

SCHEIBE8,1X32X1,5
Используется в агрегатах

1441 i
8 SL0055216

SI.SCHEIBE6 6799 MAGAZINIERT
Используется в агрегатах

1847 i
9 SL620013325

BREMSBAND VS.
Используется в агрегатах

14367 i
10 SL0070254

FEDER 1,6X10,2X56 DRK.
Используется в агрегатах

1640 i
11 SL630020825

VERSTELLUNG
Используется в агрегатах

7577 i
12 SL6300178

прижимная пластина
Используется в агрегатах

5198 i
13 SL0070301

FEDER 1,5X7X18,5 DRK.
Используется в агрегатах

2068 i
14 SL6074960

ABDECKUNG BREMSBAND.SWZ.
Используется в агрегатах

1684 i
15 SL0018361

LI.SHR.5X12 KTKX T25 ZN BLAU
Используется в агрегатах

1153 i
16 SL6100454

кожух пильного аппарата rt. + самоприклеивающаяся табличка solo
Используется в агрегатах

3003 i
17 SL6031993

BU.8,5X18,6/14,5X5,8DIST.
Используется в агрегатах

2518 i
18 SL0068312

SKS.SOLO
Используется в агрегатах

2093 i
19 SL0020214

6KT.MU.M8-10.9 ZN SW19
Используется в агрегатах

1391 i
20 SL0610470

масляный насос ремонтный комплект
Используется в агрегатах

21733 i
21 SL6074650

MITNEHMERSCHNECKE 2,5 RL.
Используется в агрегатах

2888 i
22 SL0018361

LI.SHR.5X12 KTKX T25 ZN BLAU
Используется в агрегатах

1153 i
23 SL6063334

SCHLAUCH OEL.
Используется в агрегатах

2115 i
29 SL0031425

SCHEIBE8X14X0,5 988PA
Используется в агрегатах

1694 i