Разработано в Германии Напрямую от Импортера Доставка по России

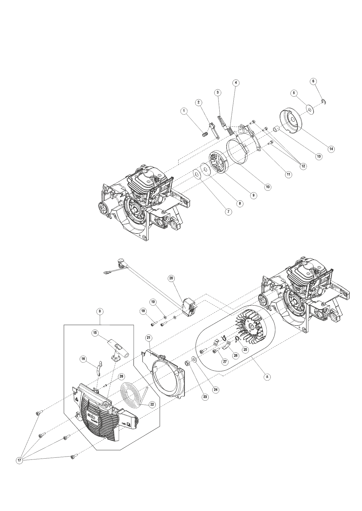
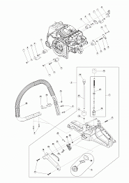
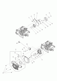
solo by AL-KO бензопила 651C Артикул: 127184