Разработано в Германии Напрямую от Импортера Доставка по России

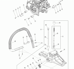
5 КАРТЕР, ПОРШЕНЬ, ЦИЛИНДР, МАСЛОНАСОС solo by AL-KO бензопила 651C Артикул: 127184

Ссылка № АртикулИспользуется штук Наименование Цена
E SL2100657

Картер
Используется в агрегатах

31067 i
D SL2100690

Рычажный сталкиватель
Используется в агрегатах

Недоступен к заказу

A SL2200270

ZYL.45,00 NI.+KO.SET F.ET 651C
Используется в агрегатах

89151 i
B SL2200319

KOLBEN 45,00+BO.+SI.F.ET 651
Используется в агрегатах

25736 i
C SL2200328

SL2200328
Используется в агрегатах

Недоступен к заказу

F SL6400229

OELPUMPE VS.F.ET 644,651,656 KPL
Используется в агрегатах

33893 i
1 SL2200685

KURBELWELLE 656
Используется в агрегатах

15433 i
2 SL0050187

KUG.LAG.12X32X10 6201 C4
Используется в агрегатах

2686 i
3 SL0050188

KUG.LAG.15X35X13 C4 OHNE D-SCH
Используется в агрегатах

7084 i
4 SL0052255

Игольчатый подшипник
Используется в агрегатах

4361 i
5 SL0010158

ZYL.SHR.M5X25 912-8.8ZN BLAU
Используется в агрегатах

1153 i
6 SL0010559

ZYL.SHR.M5X65 912-8.8ZN BLAU
Используется в агрегатах

1245 i
7 SL0034201

SI.SCHEIBE5VS ZN BLAU
Используется в агрегатах

1131 i
8 SL0040190

STIFT5M6X14 6325 BLANK
Используется в агрегатах

1182 i
9 SL2700441

BELUEFTUNGSVENTIL
Используется в агрегатах

1805 i
10 SL0018398

STIFTSHR.M8X18,5 SCHWERT
Используется в агрегатах

1694 i
11 SL2061473

DIC.KURBELGEHAEUSE 0,5 DICK
Используется в агрегатах

2518 i
12 SL6042827

ISOLIERFOLIE 0,05
Используется в агрегатах

1224 i
13 SL0054251

WD.RING DFS 15X29,6X4 /01 Z02
Используется в агрегатах

1645 i
14 SL0054201

WD.RING DFS 12X19X5 NBR - KACO
Используется в агрегатах

1737 i
15 SL6063329

SCHLAUCH3,5X88
Используется в агрегатах

1601 i
16 SL6700124

SIEB OEL. VS.
Используется в агрегатах

2379 i
17 SL0010603

ZYL.SHR.M4X12 7984 8.8ZN BLAU
Используется в агрегатах

1182 i
18 SL6400156

STIFT3/5,8X14/36,6-43,9 HUB. KPL
Используется в агрегатах

2560 i
19 SL0062256

O.RING 4X1,2NBR/PERB 70SH.CA.
Используется в агрегатах

1131 i
20 SL2011651

Цилиндр
Используется в агрегатах

81172 i
21 SL2048408

KOLBENRING 45X1,2 MAHLE
Используется в агрегатах

4568 i
22 SL203124925

Поршневой палец
Используется в агрегатах

1895 i
23 SL0055267

Стопорное кольцо поршневого пальца
Используется в агрегатах

2493 i
24 SL2061524

DIC.ZYL.FUSS D52,3 0,5 DICK 644,651,656
Используется в агрегатах

1445 i
25 SL0010604

ZYL.SHR.M5X22 912-12.9ZN BLAU
Используется в агрегатах

1513 i
26 577484001

Свеча зажигания короткая юбка - под клюя 19 мм (Made in Czech Republic)
Используется в агрегатах

350 i
27 SL0094278

KAPPE DEKOVENTIL 651,656
Используется в агрегатах

1267 i
28 SL0044271

ROHRNIET3X0,30X15 7340A MS
Используется в агрегатах

1153 i
29 SL2061445

DIC.VERGASERSTUTZEN 1,0 DICK 644,651,656
Используется в агрегатах

1470 i
30 SL2300897

VERGASERSTUTZEN 651C,656C
Используется в агрегатах

33160 i
31 SL0030101

Шайба
Используется в агрегатах

1202 i
32 SL0044273

ROHRNIET6X0,5X4,4 7340A BLANK
Используется в агрегатах

1334 i
33 SL2042209

D?MMFOLIE ANSAUGBEREICH 644-651-656
Используется в агрегатах

1645 i
35 SL6400246

Шнек захватного механизма
Используется в агрегатах

5174 i
36 SL0055136

SI.RING15 471A BLANK
Используется в агрегатах

1131 i
37 SL0031209

SCHEIBE15X22X1,5 988SS
Используется в агрегатах

1202 i
38 SL2800609

VENTIL DEKO. 11N D0,5
Используется в агрегатах

8803 i