Разработано в Германии Напрямую от Импортера Доставка по России

2 | Solo by AL-KO газонокосилка аккумуляторная sbA 4237 Li SP Артикул: 127388 | с 03/2018 до 05/2018 года | АЛКО ЗАПЧАСТИ | ПО РОССИИ | СПБ

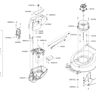
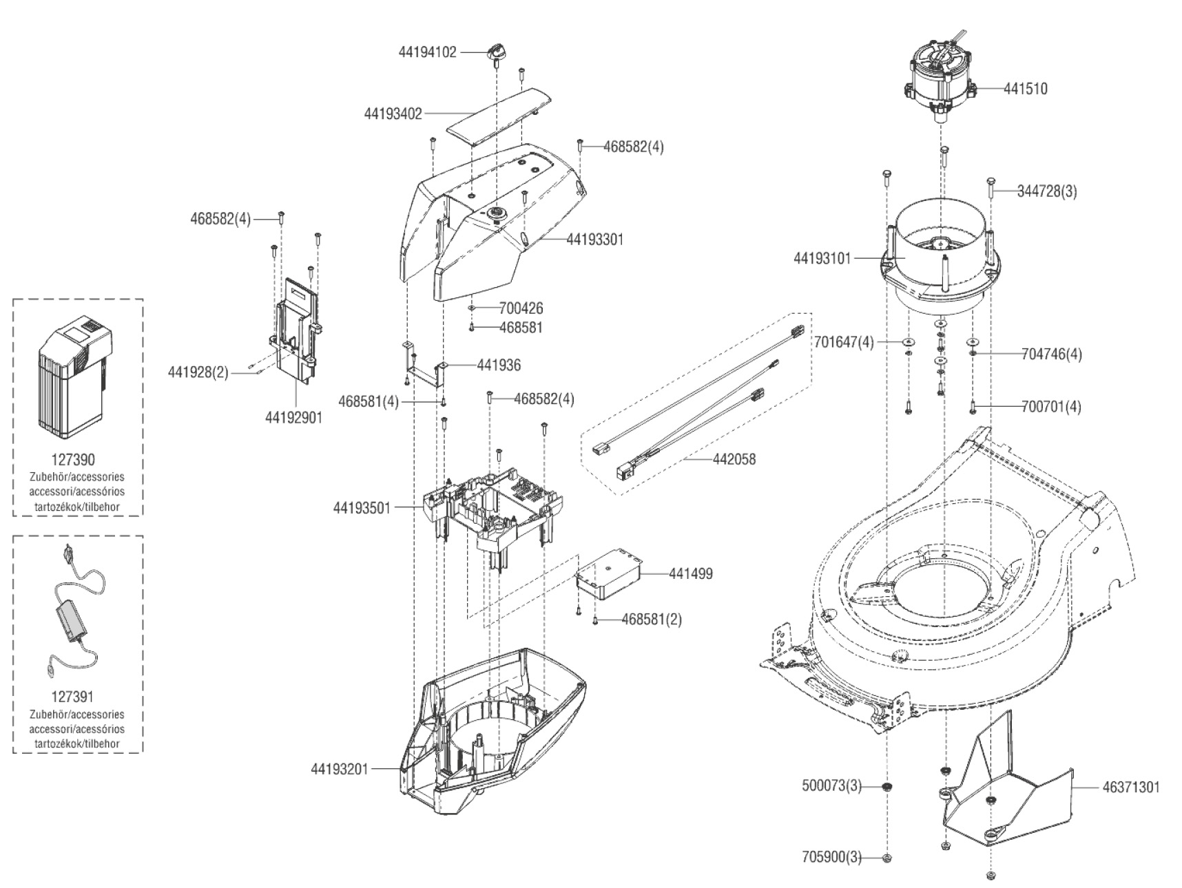
Ссылка № АртикулИспользуется штук Наименование Цена
127390 127390

Аккумулятор
Используется в агрегатах

124383 i
127391 127391

Зарядное устройство
Используется в агрегатах

13512 i
344728 344728

Винт
Используется в агрегатах

1302 i
441499 441499

CONTROLLER 900 W
Используется в агрегатах

22789 i
441510 441510

E-MOTOR 900W 36 V - KCL
Используется в агрегатах

73059 i
441928 441928

RETAINING PIN 11,18X2,5
Используется в агрегатах

1423 i
44192901 44192901

AKKUF?HRUNG GEH?USE R9005
Используется в агрегатах

2810 i
44193101 44193101

MOTORTOPF AKKU M?HER R9005
Используется в агрегатах

4949 i
44193201 44193201

HAUBE UNTEN AKKU M?HER R9005
Используется в агрегатах

6040 i
44193301 44193301

HAUBE OBEN AKKU M?HER R9005
Используется в агрегатах

5798 i
44193402 44193402

HAUBE OBERTEIL AKKU M?HER R3000
Используется в агрегатах

2246 i
44193501 44193501

HALTERUNG MICROSCHALTER AKKU M?H R9005
Используется в агрегатах

2472 i
441936 441936

STABILISIERUNGSBLECH AKKU M?HER
Используется в агрегатах

3545 i
44194102 44194102

SICHERUNGSSCHL?SSEL
Используется в агрегатах

1470 i
442058 442058

KABELBAUM AKKU RSM 900W FACHHANDEL.
Используется в агрегатах

16732 i
46371301 46371301

RIEMENABDECKUNG 42 R9005
Используется в агрегатах

2760 i
468581 468581

SHR PT-KB40X12 WN1451 ZNNI8F
Используется в агрегатах

1173 i
468581 468581

SHR PT-KB40X12 WN1451 ZNNI8F
Используется в агрегатах

1173 i
468581 468581

SHR PT-KB40X12 WN1451 ZNNI8F
Используется в агрегатах

1173 i
468582 468582

SHR PT-KB 50X22 WN1451 ZNNI8F
Используется в агрегатах

1202 i
500073 500073

Гайка
Используется в агрегатах

1173 i
700426 700426

Шайба
Используется в агрегатах

1153 i
700701 703574

Винт
Используется в агрегатах

1891 i
701647 701647

SHB R 6,6 VZ 440
Используется в агрегатах

1153 i
704746 704746

Шайба
Используется в агрегатах

3977 i
705900 705900

MU 6KT 8 EN1663 8 A2K
Используется в агрегатах

1737 i