Разработано в Германии Напрямую от Импортера Доставка по России

2 | Solo by AL-KO газонокосилка аккумуляторная sbA 4757 Li SP Артикул: 127389 | с 08/2019 года | АЛКО ЗАПЧАСТИ | ПО РОССИИ | СПБ

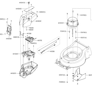
Ссылка № АртикулИспользуется штук Наименование Цена
127390 127390

Аккумулятор
Используется в агрегатах

124383 i
127391 127391

Зарядное устройство
Используется в агрегатах

13512 i
344728 344728

Винт
Используется в агрегатах

1302 i
441928 441928

RETAINING PIN 11,18X2,5
Используется в агрегатах

1423 i
44192901 44192901

AKKUF?HRUNG GEH?USE R9005
Используется в агрегатах

2810 i
44193101 44193101

MOTORTOPF AKKU M?HER R9005
Используется в агрегатах

4949 i
44193201 44193201

HAUBE UNTEN AKKU M?HER R9005
Используется в агрегатах

6040 i
44193301 44193301

HAUBE OBEN AKKU M?HER R9005
Используется в агрегатах

5798 i
44193402 44193402

HAUBE OBERTEIL AKKU M?HER R3000
Используется в агрегатах

2246 i
44193501 44193501

HALTERUNG MICROSCHALTER AKKU M?H R9005
Используется в агрегатах

2472 i
441936 441936

STABILISIERUNGSBLECH AKKU M?HER
Используется в агрегатах

3545 i
44194102 44194102

SICHERUNGSSCHL?SSEL
Используется в агрегатах

1470 i
441977 441977

E-MOTOR 1200W 36 V - KCL
Используется в агрегатах

93201 i
441978 441978

CONTROLLER 1200 W
Используется в агрегатах

46535 i
442006 442006

KABELBAUM AKKU RSM 1200W FACHHANDEL
Используется в агрегатах

20891 i
46027101 46027101

Защитный кожух ремня привода редуктора колес
Используется в агрегатах

5083 i
468581 468581

SHR PT-KB40X12 WN1451 ZNNI8F
Используется в агрегатах

1173 i
468581 468581

SHR PT-KB40X12 WN1451 ZNNI8F
Используется в агрегатах

1173 i
468582 468582

SHR PT-KB 50X22 WN1451 ZNNI8F
Используется в агрегатах

1202 i
500073 500073

Гайка
Используется в агрегатах

1173 i
700426 700426

Шайба
Используется в агрегатах

1153 i
700701 703574

Винт
Используется в агрегатах

1891 i
701647 701647

SHB R 6,6 VZ 440
Используется в агрегатах

1153 i
704746 704746

Шайба
Используется в агрегатах

3977 i
705900 705900

MU 6KT 8 EN1663 8 A2K
Используется в агрегатах

1737 i