Разработано в Германии
Напрямую от Импортера
Доставка по России
Запчасти
Покупателю
Сервис
Доставка
Контакты
8 (812) 989-06-96
0
Главная страница
Каталог запчастей
Садовые трактора AL-KO | запчасти по России и СПБ | Сервис | Ремонт
solo by AL-KO трактор T 15-103.7 HD-A Артикул: 127418
Solo by AL-KO T 15-103.7 HD-A Артикул: 127418 с 02/2019 года
Оригинальные запчасти AL-KO купить | 11 ЭЛЕКТРОСХЕМА solo by AL-KO трактор T 15-103.7 HD-A Артикул: 127418 с 02/2019 года | доставка по России из Санкт-Петербурга | от официального дилера AL-KO
Назад
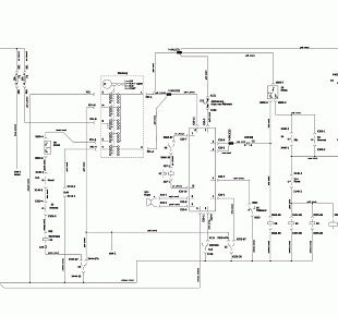
11 ЭЛЕКТРОСХЕМА solo by AL-KO трактор T 15-103.7 HD-A Артикул: 127418 с 02/2019 года
1 РАМА КОЖУХА solo by AL-KO трактор T 15-103.7 HD-A Артикул: 127418 с 02/2019 года
Увеличить
2 РАМА СЦЕПЛЕНИЕ solo by AL-KO трактор T 15-103.7 HD-A Артикул: 127418 с 02/2019 года
Увеличить
3 КОЛЕСА РЕМЕНЬ ШКИВ solo by AL-KO трактор T 15-103.7 HD-A Артикул: 127418 с 02/2019 года
Увеличить
4 КОРОБКА ПЕРЕДАЧ solo by AL-KO трактор T 15-103.7 HD-A Артикул: 127418 с 02/2019 года
Увеличить
5 ПОДКЛЮЧЕНИЕ ПРИВОДА solo by AL-KO трактор T 15-103.7 HD-A Артикул: 127418 с 02/2019 года
Увеличить
6 ДЕКА РЕМЕНЬ НОЖ АДАПТЕР ШКИВ solo by AL-KO трактор T 15-103.7 HD-A Артикул: 127418 с 02/2019 года
Увеличить
7 АККУМУЛЯТОР solo by AL-KO трактор T 15-103.7 HD-A Артикул: 127418 с 02/2019 года
Увеличить
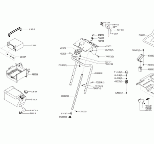
8 ТРАВОСБОРНИК solo by AL-KO трактор T 15-103.7 HD-A Артикул: 127418 с 02/2019 года
Увеличить
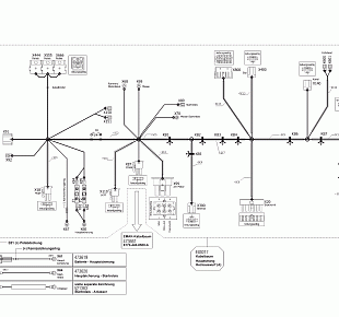
9 ПРОВОДКА solo by AL-KO трактор T 15-103.7 HD-A Артикул: 127418 с 02/2019 года
Увеличить
10 ПРОВОДКА ПОДКЛЮЧЕНИЯ solo by AL-KO трактор T 15-103.7 HD-A Артикул: 127418 с 02/2019 года
Увеличить
11 ЭЛЕКТРОСХЕМА solo by AL-KO трактор T 15-103.7 HD-A Артикул: 127418 с 02/2019 года
Увеличить
Показать все схемы
Сервис
Официальный сервис
Доставка
Доставка по России
Запчасти
Оригинальные запчасти
Скидки
Для сервисных центров
11 ЭЛЕКТРОСХЕМА solo by AL-KO трактор T 15-103.7 HD-A Артикул: 127418 с 02/2019 года
1 РАМА КОЖУХА solo by AL-KO трактор T 15-103.7 HD-A Артикул: 127418 с 02/2019 года
2 РАМА СЦЕПЛЕНИЕ solo by AL-KO трактор T 15-103.7 HD-A Артикул: 127418 с 02/2019 года
3 КОЛЕСА РЕМЕНЬ ШКИВ solo by AL-KO трактор T 15-103.7 HD-A Артикул: 127418 с 02/2019 года
4 КОРОБКА ПЕРЕДАЧ solo by AL-KO трактор T 15-103.7 HD-A Артикул: 127418 с 02/2019 года
5 ПОДКЛЮЧЕНИЕ ПРИВОДА solo by AL-KO трактор T 15-103.7 HD-A Артикул: 127418 с 02/2019 года
6 ДЕКА РЕМЕНЬ НОЖ АДАПТЕР ШКИВ solo by AL-KO трактор T 15-103.7 HD-A Артикул: 127418 с 02/2019 года
7 АККУМУЛЯТОР solo by AL-KO трактор T 15-103.7 HD-A Артикул: 127418 с 02/2019 года
8 ТРАВОСБОРНИК solo by AL-KO трактор T 15-103.7 HD-A Артикул: 127418 с 02/2019 года
9 ПРОВОДКА solo by AL-KO трактор T 15-103.7 HD-A Артикул: 127418 с 02/2019 года
10 ПРОВОДКА ПОДКЛЮЧЕНИЯ solo by AL-KO трактор T 15-103.7 HD-A Артикул: 127418 с 02/2019 года
11 ЭЛЕКТРОСХЕМА solo by AL-KO трактор T 15-103.7 HD-A Артикул: 127418 с 02/2019 года
№
Запчасти
Покупателю
Сервис
Доставка
Контакты
8 (812) 989-06-96