Разработано в Германии Напрямую от Импортера Доставка по России

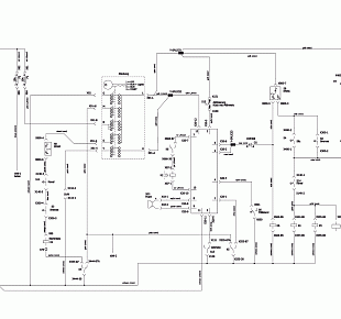
5 ПОДКЛЮЧЕНИЕ ПРИВОДА solo by AL-KO трактор T 15-103.7 HD-A Артикул: 127418 с 07/2018 по 02/2019 года

Ссылка № АртикулИспользуется штук Наименование Цена
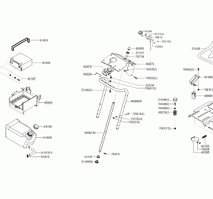
47304830 47304830

6165-760-7800-A H?HENVERST GE AV VERZ
Используется в агрегатах

10924 i
47305030 47305030

6165-703-4610-A VERBINDUNGSST AV VERZ
Используется в агрегатах

2246 i
47307830 47307830

6165-763-5600-A SCHWINGE H?HE AV VERZ
Используется в агрегатах

3031 i
473115 473115

6165-763-3000-A LAGERBUCHSE LENKS AV
Используется в агрегатах

1533 i
47317630 47317630

6165-703-4600-A VERBINDUNGSST M?H VERZ
Используется в агрегатах

2518 i
473217 473217

6165-703-9500-A RASTERUNG H?HENV
Используется в агрегатах

1895 i
473232 473232

6165-703-5120-A FEDER VORDERE SCHW
Используется в агрегатах

1445 i
473360 473360

6165-703-5100-A FEDER H?HENVERSTEL
Используется в агрегатах

2115 i
473399 473399

6165-703-2000-A KUGELMUTTER M10 A2K
Используется в агрегатах

1402 i
476342 476342

M?HDECK 105 KPL ETL AL-KO
Используется в агрегатах

309033 i
476695 476695

FEDERSTECKER (?3)
Используется в агрегатах

1202 i
49302830 49302830

H?HENVERSTELLHEBEL GESCHW E VERZ
Используется в агрегатах

10856 i
514174 514174

SCHALTGRIFF
Используется в агрегатах

2207 i
700545 700545

Винт 8*16
Используется в агрегатах

1173 i
700561 700561

SHR10X 25 DIN933- 8.8 VZ
Используется в агрегатах

1206 i
703808 703808

Гайка
Используется в агрегатах

1202 i
703813 703813

Гайка
Используется в агрегатах

1430 i
704534 704534

MU 6KT 10 DIN934- 8 A3B
Используется в агрегатах

1173 i
704537 704537

Гайка
Используется в агрегатах

1138 i