Разработано в Германии Напрямую от Импортера Доставка по России

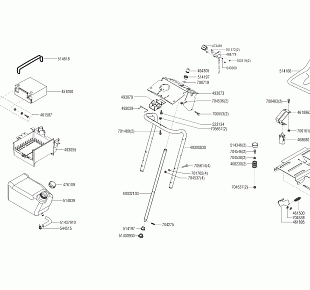
6 ДЕКА РЕМЕНЬ НОЖ АДАПТЕР ШКИВ solo by AL-KO трактор T 15-93.7 HD-A Артикул: 127417 с 07/2018 по 02/2019 года

Ссылка № АртикулИспользуется штук Наименование Цена
461742 461742

MESSER 487MM LINKS
Используется в агрегатах

17608 i
461743 461743

MESSER 487MM RECHTS
Используется в агрегатах

17608 i
464453 464453

6170-760-6616-A UMLENKR. (M. LAGER ET)
Используется в агрегатах

4222 i
464555 464555

O-RING D23X1,5 NBR 70 SHORE A
Используется в агрегатах

1153 i
468101 468101

6170-702-1800-A SCHEIBE
Используется в агрегатах

1491 i
468102 468102

6170-702-0600-A MITNEHMER RIEMENS
Используется в агрегатах

2379 i
468104 468104

6160-701-1600-A EINSATZ KANALZUNGE
Используется в агрегатах

3253 i
468116 468116

6170-764-8410-A KEILRIEMENSCHEIBENH?LFTE
Используется в агрегатах

2154 i
468353 468353

6170-702-2210-A LAGERDICHTUNG
Используется в агрегатах

1355 i
46835530 46835530

6170-702-0710-B MESSERW FLANSCH VERZ
Используется в агрегатах

8276 i
47318702 47318701

Дека косилки
Используется в агрегатах

80688 i
473209 457132

НАТЯЖНАЯ ПРУЖИНА ДЛЯ ПРИВОДНОГО РЕМНЯ 6165-764-1600-A
Используется в агрегатах

12532 i
473337 473337

MESSERHALTER AL-KO
Используется в агрегатах

6400 i
473402 473402

6165-760-1200-A R?CKENR 92 MIT LAGER SA
Используется в агрегатах

4500 i
47340301 47340301

6165-706-8200-A KLAPPSCH EMAK AV R9005
Используется в агрегатах

4632 i
473415 473415

6165-703-5130-A ZUGFEDER KLAPPSCHUTZ
Используется в агрегатах

1470 i
47342030 47342030

6165-764-2840-A DISTANZB UMLENK VERZ
Используется в агрегатах

1783 i
473441 473441

6160-704-2120-A RIEMEN MESSERANTR 92
Используется в агрегатах

16974 i
473443 473443

6160-706-0810-A SCHUTZHAUBE LINKS
Используется в агрегатах

4550 i
473444 473444

6160-706-0815-A SCHUTZHAUBE REC
Используется в агрегатах

4971 i
47351530 47351530

6165-706-9500-A SCHLITZSCH F KLAP VERZ
Используется в агрегатах

1470 i
47358201 47358201

6165-780-2050-A ABDECKUNG KPL RIEMEN
Используется в агрегатах

8497 i
473606 473606

6160-764-2600-A SPANNARM M?HW 95
Используется в агрегатах

2026 i
47365230 47365230

DISTANZST?CK TRAKTOR VERZ
Используется в агрегатах

1402 i
473668 473668

AUSWURFKANAL KPL 92 AL-KO
Используется в агрегатах

18952 i
476634 476634

9503-003-6841-B LAG KUG 6205
Используется в агрегатах

3231 i
514175 514175

6170-702-6910-A LAGERBOCK M?HANTRIEB
Используется в агрегатах

9324 i
514216 514216

ZENTRIERH?LSE
Используется в агрегатах

1402 i
514220 514220

DISTANZSCHEIBE
Используется в агрегатах

1776 i
514887 514887

RAD 125 R9005
Используется в агрегатах

3321 i
51524630 51524630

SCHEIBE 30/10,5 X 5 VERZ
Используется в агрегатах

1313 i
521110 521110

RADBOLZEN 102
Используется в агрегатах

1513 i
521281 521281

SHR-TAPT 8X25 SPERRZ.FE/ZN5B
Используется в агрегатах

1334 i
700702 700702

Болт
Используется в агрегатах

1153 i
701011 701011

SHR 8X 50 DIN933- 8.8 VZ
Используется в агрегатах

1224 i
701082 701082

SHB 10,5 DIN7349 VZ
Используется в агрегатах

1202 i
701521 701521

Винт
Используется в агрегатах

1224 i
701673 701673

Винт
Используется в агрегатах

1173 i
701704 701704

SHR 8X 60 DIN933- 8.8 VZ
Используется в агрегатах

1224 i
703813 703813

Гайка
Используется в агрегатах

1430 i
704337 704337

SHR10X 60 DIN933- 8.8 A3B
Используется в агрегатах

1313 i
704537 704537

Гайка
Используется в агрегатах

1138 i
704538 704538

Шайба
Используется в агрегатах

1138 i
704545 704545

Болт
Используется в агрегатах

1202 i
705284 705284

FED TEL 28 X10,2X1,5 2093
Используется в агрегатах

4065 i
705360 705360

SHR 10X1,0 X 35 DIN961-10.9 A3B
Используется в агрегатах

1254 i
705657 705657

MU 6KT 6 EN1663- 8 A2K
Используется в агрегатах

19764 i
705657 705657

MU 6KT 6 EN1663- 8 A2K
Используется в агрегатах

19764 i
705657 705657

MU 6KT 6 EN1663- 8 A2K
Используется в агрегатах

19764 i
706086 706086

Винт 6X 20 603- 8.8A2K
Используется в агрегатах

1173 i
706611 706611

STI ISO 8741- 6X45-ST A2K
Используется в агрегатах

1715 i