Разработано в Германии Напрямую от Импортера Доставка по России

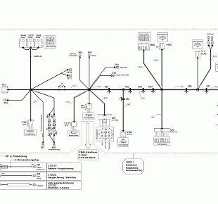
9 ПРОВОДКА solo by AL-KO трактор T 16-103.7 HD V2 Артикул: 127444 с 01/2018 по 04/2018 года

Ссылка № АртикулИспользуется штук Наименование Цена
468603 468603

6170-430-2400-A Z?NDANLASSSCHALTER 4 PO
Используется в агрегатах

12172 i
468678 468678

6170-437-0800-A SICHE HSB FUSE
Используется в агрегатах

1334 i
468680 468680

6170-430-0520-A DRUCKS 6700-50B
Используется в агрегатах

7324 i
468680 468680

6170-430-0520-A DRUCKS 6700-50B
Используется в агрегатах

7324 i
468878 468878

Винт 50*12
Используется в агрегатах

1173 i
468981 468981

6160-405-8000-A ISOLIERPLATTE STARTREL
Используется в агрегатах

1245 i
473258 476286

КЛЮЧ ЗАЖИГАНИЯ С ЧЕХЛОМ AL-KO КОМПЛЕКТ
Используется в агрегатах

2234 i
47350201 47350201

6165-403-2500-A ABDECK 150 SICH SA R9005
Используется в агрегатах

1380 i
473587 473587

DRUCKTASTER RUND A
Используется в агрегатах

3559 i
473619 473619

KABEL HAUPTSICHERUNG BATTERIE HA
Используется в агрегатах

4008 i
473620 473620

KABEL HAUPTSICHERUNG STARTERR HA
Используется в агрегатах

3655 i
473660 473660

6160-440-1945-A ПРОВОДНИК ДЛЯ СВЕТА
Используется в агрегатах

3341 i
473661 473661

6170-440-0500-A ADAPTER EMAK
Используется в агрегатах

2518 i
473781 473737

Включатель деки косилки
Используется в агрегатах

8176 i
473910 473910

6140-430-8800-A F?LLSTANDSANZEIGE
Используется в агрегатах

2985 i
473942 473942

ELEKTROMODUL R?CKW?RTS AL-KO
Используется в агрегатах

25962 i
476712 476712

6005-435-0410-A ENDSCHALTER NO IP67
Используется в агрегатах

3427 i
476713 476713

6001-430-0210-A ENDSCHALTER NC IP67
Используется в агрегатах

3648 i
493017 493017

KABELBAUM HAUPTSTRANG HA TRAKTOR
Используется в агрегатах

44845 i
493082 493082

LED LAMPE
Используется в агрегатах

1555 i
493230 493230

LICHTEINSATZ LED 6W KPL
Используется в агрегатах

4129 i
514252 514252

LAMPENFASSUNG TRAKTOR
Используется в агрегатах

2429 i
514682 514682

SCHALTHEBEL LANG
Используется в агрегатах

1334 i
514683 521339

КОРПУС МЕХАНИЗМА ПЕРЕКЛЮЧЕНИЯ ПЕРЕДАЧ 521339
Используется в агрегатах

3331 i
521361 521361

STARTERRELAIS 12V/200AMPER
Используется в агрегатах

6992 i
521363 521363

KABEL ROT STARTER/RELAIS
Используется в агрегатах

2985 i
521375 521375

SKT-MU.+SPERRZ.1/4"-20 UN 8.8
Используется в агрегатах

1202 i
521375 521375

SKT-MU.+SPERRZ.1/4"-20 UN 8.8
Используется в агрегатах

1202 i
521819 521819

STECKSICHERUNG 15 A
Используется в агрегатах

1202 i
521821 521821

STECKSICHERUNG 10 A
Используется в агрегатах

1202 i
521849 521849

RELAIS 12V - 20/30A
Используется в агрегатах

2760 i
526521 526521

SCHNELLBEFESTIGER 3SXN26
Используется в агрегатах

1131 i
700106 700106

Гайка
Используется в агрегатах

1153 i
700126 700126YP

ШАЙБА ГРОВЕРА 5 DIN127 VZ
Используется в агрегатах

2506 i
700200 700200

SHB FAECHER- J 6,4 DIN6798 VZ
Используется в агрегатах

2748 i
700200 700200

SHB FAECHER- J 6,4 DIN6798 VZ
Используется в агрегатах

2748 i
700701 703574

Винт
Используется в агрегатах

1891 i
703106 703106

SHR 5X 25 DIN933- 8.8 VZ
Используется в агрегатах

1153 i
705951 705951

MU 6KT 4 DIN985- 8 A3R
Используется в агрегатах

1131 i
706096 706096

SHR 4X 12 7991- 8.8A3B
Используется в агрегатах

1153 i
706161 706161

MU 6KT 6 EN1664- 8 A2K
Используется в агрегатах

1153 i