1 РАМА КОЖУХА solo by AL-KO трактор T 22-103.9 HD-A V2 Артикул: 127554
2 РАМА СЦЕПЛЕНИЕ solo by AL-KO трактор T 22-103.9 HD-A V2 Артикул: 127554
3 КОЛЕСА РЕМЕНЬ ШКИВ solo by AL-KO трактор T 22-103.9 HD-A V2 Артикул: 127554
4 КОРОБКА ПЕРЕДАЧ solo by AL-KO трактор T 22-103.9 HD-A V2 Артикул: 127554
5 ПОДКЛЮЧЕНИЕ ПРИВОДА solo by AL-KO трактор T 22-103.9 HD-A V2 Артикул: 127554
6 ДЕКА РЕМЕНЬ НОЖ АДАПТЕР ШКИВ solo by AL-KO трактор T 22-103.9 HD-A V2 Артикул: 127554
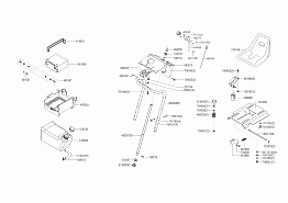
7 АККУМУЛЯТОР solo by AL-KO трактор T 22-103.9 HD-A V2 Артикул: 127554
8 ТРАВОСБОРНИК solo by AL-KO трактор T 22-103.9 HD-A V2 Артикул: 127554
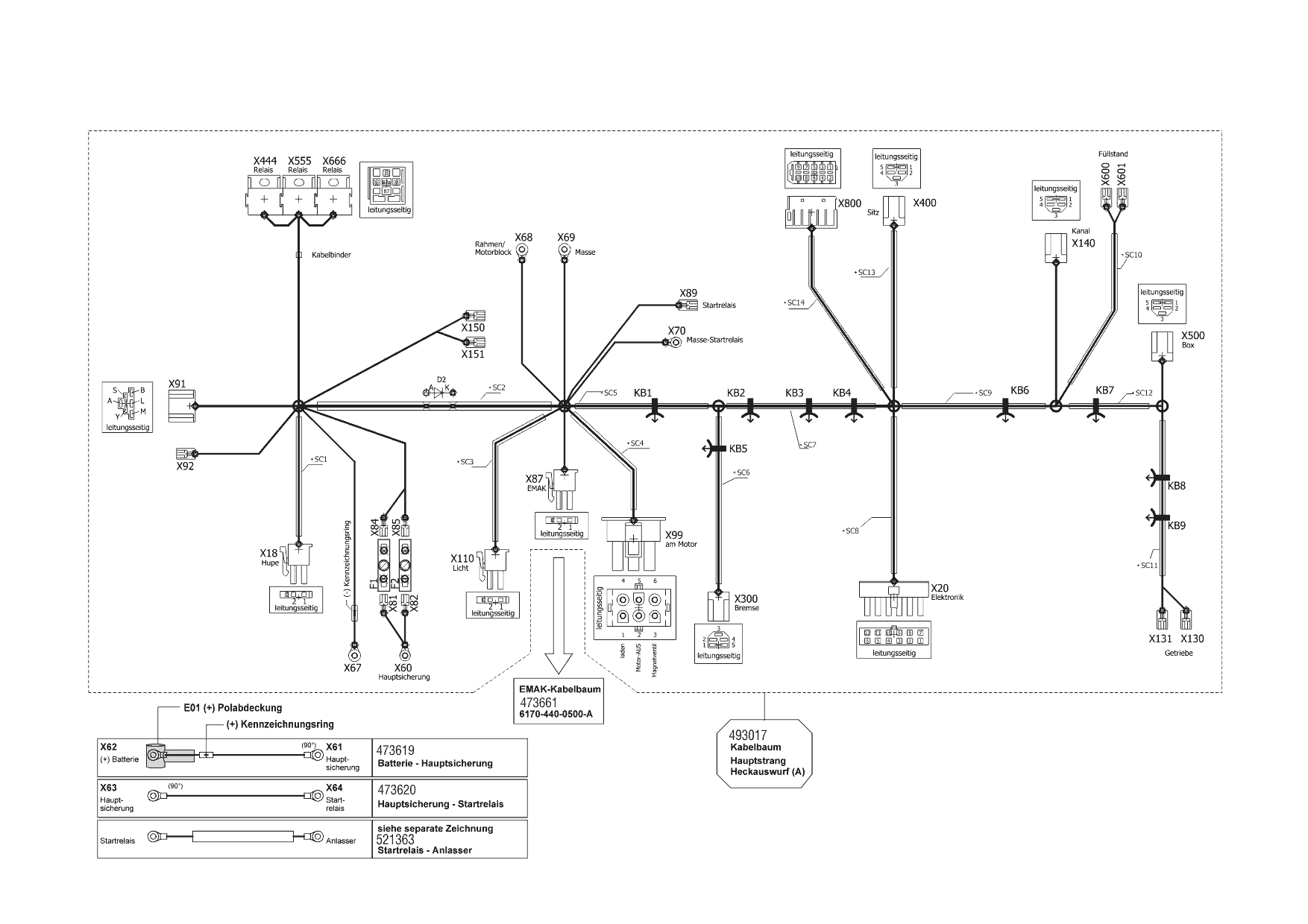
9 ПРОВОДКА solo by AL-KO трактор T 22-103.9 HD-A V2 Артикул: 127554
10 ПРОВОДКА ПОДКЛЮЧЕНИЯ solo by AL-KO трактор T 22-103.9 HD-A V2 Артикул: 127554
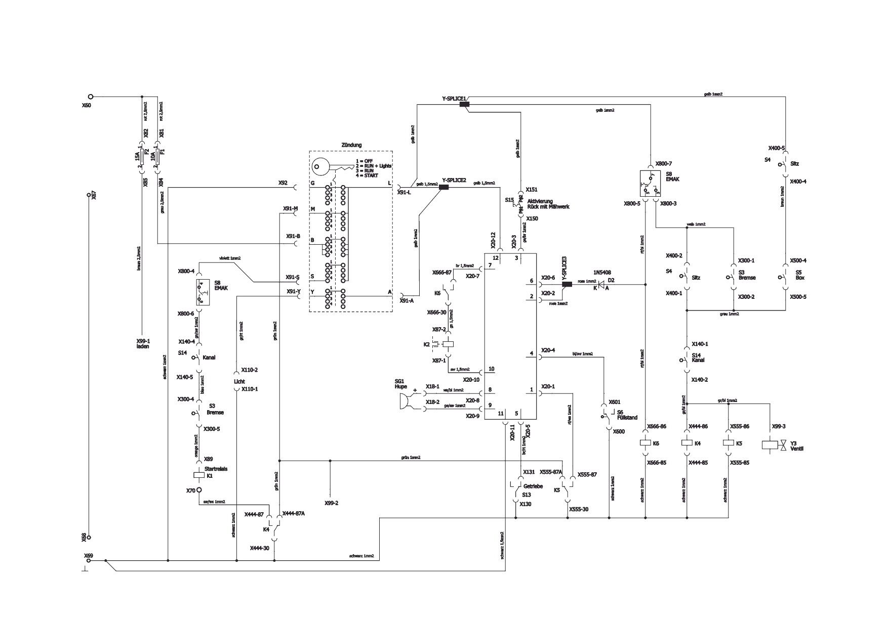
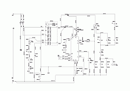
11 ЭЛЕКТРОСХЕМА solo by AL-KO трактор T 22-103.9 HD-A V2 Артикул: 127554