Разработано в Германии Напрямую от Импортера Доставка по России

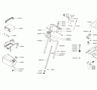
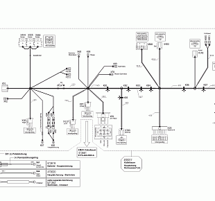
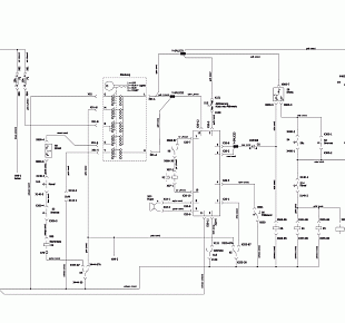
11 ЭЛЕКТРОСХЕМА solo by AL-KO трактор T 22-103.9 HD-A V2 Артикул: 127554